Cerradura Eléctrica con Botón de Salida.

Cerradura accesspro Rimb.

- Cerradura eléctrica de sobreponer para puertas

izquierdas o derechas.

 

- De fácil instalación y con pestillo de resbalón para puertas con apertura interior y exterior.

Características generales:

- Con una solo pulso del botón, el resbalón se abre y se mantiene abierto hasta volver a cerrar la puerta.

- Cerradura con apertura a distancia del resbalón por medio del botón eléctrico (no

incluido).

- Para uso en puertas de 35 a 45 mm de espesor.

- Opera con llave en caso de interrupción de la energía eléctrica por el exterior.

-  Caja, tapa y contra de lámina de acero con acabado en pintura electrostática.

- Cuerpos y cilindros de latón macizo.

- Color beige

- Color de ACCESSRIMMOTOR, color gris satinado.

- Para puertas que requieren apertura con tarjeta (ACCESSRIMMOTOR.

- ACCESSRIMMOTOR solo tiene Cerrojo, (Sin Llave).

- Alimentación de ACCESSRIMMOTOR 12 Vcc 1.5 A..

- Alimentación de ACCESSRIM (L/B/BL) 12 Vca 2.5 A.

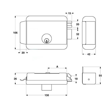
- Dimensiones: 129 x 103 x 38 mm.

Esquema cerradura eléctrica AcessPro

Compatible con los siguientes equipos

Copyright © 2024 ZKMéxico.

Todos los Derechos Reservados.

Precios y ofertas sujetos a cambios sin previo aviso.

Eje Central Lázaro Cárdenas 365, C.P. 03010 Ciudad de México, CDMX

Contactanos vía telefónica y un asesor lo atenderá

Tel. 55 55194428

Whats. 553950 7782

Redes Sociales